Product list產品列表
Customer service在線客服
產品展示

通稱速比與實際速比:
|
通稱速比 i |
實際速比(Nm) | ||||
|
0.10Kw |
0.20Kw |
0.40Kw |
0.75Kw |
1.50Kw | |
|
5 |
5.00 |
4.97 |
5.19 |
5.09 |
5.04 |
|
10 |
10.09 |
9.68 |
9.71 |
10.54 |
9.98 |
|
15 |
14.69 |
15.16 |
15.26 |
14.95 |
15.32 |
|
20 |
19.97 |
20.08 |
19.43 |
1991 |
19.43 |
|
25 |
25.35 |
24.40 |
24.29 |
24.29 |
24.83 |
|
30 |
30.86 |
30.86 |
30.00 |
30.67 |
|
|
40 |
39.34 |
40.17 |
38.96 |
40.79 |
|
|
50 |
49.97 |
49.09 |
50.01 |
49.62 |
|
|
60 |
59.07 |
59.20 |
58.22 |
58.12 |
|
|
80 |
79.67 |
77.14 |
79.29 |
79.38 |
|
|
100 |
97.71 |
100.2 |
100.0 |
98.82 |
|
|
120 |
119.2 |
120.9 |
120.0 |
|
|
|
160 |
158.9 |
161.1 |
159.1 |
|
|
|
200 |
194.5 |
196.4 |
194.5 |
|
|

|
功率 Kw |
型號 G3LM- |
減速比 i |
實際輸出轉速 r/min |
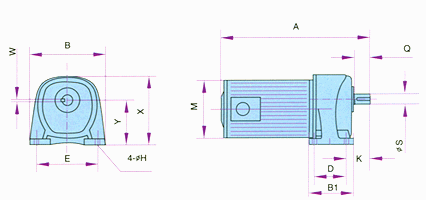
A |
主要外型及安裝尺寸 | ||||||||||||
|
標準型 |
制動型 |
D |
E |
K |
X |
Y |
M |
H |
Q |
S |
W |
B |
B1 | ||||
|
0.1 |
18 |
5,10,15,20,25,30,40,50 |
280,138,95,70,55,45,35,28 |
236 |
276 |
40 |
110 |
45 |
131 |
85 |
114.5 |
9 |
27 |
18 |
6 |
135 |
65 |
|
22 |
60,80,100,120,160,200 |
23,17,14,11,8,7 |
262 |
299 |
65 |
130 |
55 |
139 |
90 |
114.5 |
11 |
35 |
22 |
6 |
155 |
90 | |
|
0.2 |
18 |
5,10,15,20,25 |
281,144,92,69,57 |
267 |
284 |
40 |
110 |
45 |
136 |
85 |
135 |
9 |
27 |
18 |
6 |
135 |
65 |
|
22 |
30,40,50,60,80,100 |
45,34,28,23,18,14 |
293 |
310 |
65 |
130 |
55 |
139 |
90 |
135 |
11 |
35 |
22 |
6 |
155 |
90 | |
|
28 |
100,120,160,200 |
14,11,8,7 |
306 |
323 |
90 |
140 |
65 |
167 |
110 |
135 |
11 |
40 |
28 |
8 |
175 |
125 | |
|
0.4 |
22 |
5,10,15,20,25 |
269,144,91,72,57 |
314 |
333.5 |
65 |
130 |
55 |
141.5 |
90 |
141 |
11 |
35 |
22 |
6 |
155 |
90 |
|
28 |
30,40,50,60,80,100 |
46,35,27,24,17,14 |
330 |
349.5 |
90 |
140 |
66 |
167 |
110 |
141 |
11 |
40 |
28 |
8 |
175 |
125 | |
|
32 |
100,120,160,200 |
14,11,8,7 |
394 |
368.5 |
130 |
170 |
70 |
198 |
130 |
141 |
13 |
50 |
32 |
10 |
208 |
170 | |
|
0.75 |
28 |
5,10,15,20,25 |
275,132,93,70,57 |
350.0 |
357.5 |
90 |
140 |
65 |
167.5 |
110 |
162 |
11 |
40 |
28 |
8 |
175 |
125 |
|
32 |
30,40,50,60,80,100 |
45,34,28,24,17,14 |
379.5 |
387.5 |
130 |
170 |
70 |
198 |
130 |
162 |
13 |
50 |
32 |
10 |
208 |
170 | |
|
1.5 |
32 |
5,10,15,20,25 |
277,140,91,72,56 |
420.5 |
441 |
130 |
170 |
70 |
198 |
130 |
186 |
13 |
50 |
32 |
10 |
208 |
170 |

|
功率 Kw |
型號 G3FM- |
減速比 i |
實際輸出轉速 r/min |
A |
主要外型及安裝尺寸 | ||||||||||||
|
標準型 |
制動型 |
D |
E |
F |
G |
J |
M |
H |
Q |
S |
W |
T |
T1 | ||||
|
0.1 |
18 |
5,10,15,20,25,30,40,50 |
280,138,95,70,55,45,35,28 |
236 |
276 |
170 |
145 |
154 |
157 |
16.5 |
114.5 |
11 |
27 |
18 |
6 |
20.5 |
4 |
|
22 |
60,80,100,120,160,200 |
23,17,14,11,8,7 |
262 |
299 |
185 |
148 |
164 |
171.5 |
19 |
114.5 |
11 |
35 |
22 |
6 |
24.5 |
4 | |
|
0.2 |
18 |
5,10,15,20,25 |
281,144,92,69,57 |
267 |
284 |
170 |
145 |
154 |
161 |
16.5 |
135 |
11 |
27 |
18 |
6 |
20.5 |
4 |
|
22 |
30,40,50,60,80,100 |
45,34,28,23,18,14 |
293 |
310 |
185 |
148 |
164 |
171.5 |
19 |
135 |
11 |
35 |
22 |
6 |
24.5 |
4 | |
|
28 |
100,120,160,200 |
14,11,8,7 |
306 |
323 |
215 |
170 |
186 |
198.5 |
23.5 |
135 |
11 |
40 |
28 |
8 |
31 |
4 | |
|
0.4 |
22 |
5,10,15,20,25 |
269,144,91,72,57 |
314 |
333.5 |
185 |
148 |
164 |
171.5 |
19 |
141 |
11 |
35 |
22 |
6 |
24.5 |
4 |
|
28 |
30,40,50,60,80,100 |
46,35,27,24,17,14 |
330 |
349.5 |
215 |
170 |
186 |
198.5 |
23.5 |
141 |
11 |
40 |
28 |
8 |
31 |
4 | |
|
32 |
100,120,160,200 |
14,11,8,7 |
394 |
368.5 |
250 |
180 |
215 |
234 |
28.5 |
141 |
13 |
50 |
32 |
10 |
35 |
4 | |
|
0.75 |
28 |
5,10,15,20,25 |
275,132,93,70,57 |
350.0 |
357.5 |
215 |
170 |
186 |
198.5 |
23.5 |
162 |
11 |
40 |
28 |
8 |
31 |
4 |
|
32 |
30,40,50,60,80,100 |
45,34,28,24,17,14 |
379.5 |
387.5 |
250 |
180 |
215 |
234 |
28.5 |
162 |
13 |
50 |
32 |
10 |
35 |
4 | |
|
1.5 |
32 |
5,10,15,20,25 |
277,140,91,72,56 |
420.5 |
441 |
250 |
180 |
215 |
234 |
28.5 |
186 |
13 |
50 |
32 |
10 |
35 |
4 |
| 頁次:1/1 每頁10條 共5條信息 分頁:[1] |

