Product list產品列表
Customer service在線客服
產品展示
概述
1.Z系列弧齒錐齒輪減速機是一級弧齒錐齒輪傳動箱,傳動比有1、1.5、2、2.5、3。
2.傳動效率高,單機型減速機效率高達96%。
3.有單橫軸、單縱軸、雙縱軸可選。
場所條件
1.環(huán)境溫度-40℃~+50℃。(0℃以下啟動時潤滑油要加熱到0℃以上。)
2.海拔不起過1000米。
3.輸入轉速不大于1800rpm,齒輪最高圓周速度不超過22m/s。
4.可用于正反運轉。
5.無行業(yè)限制。
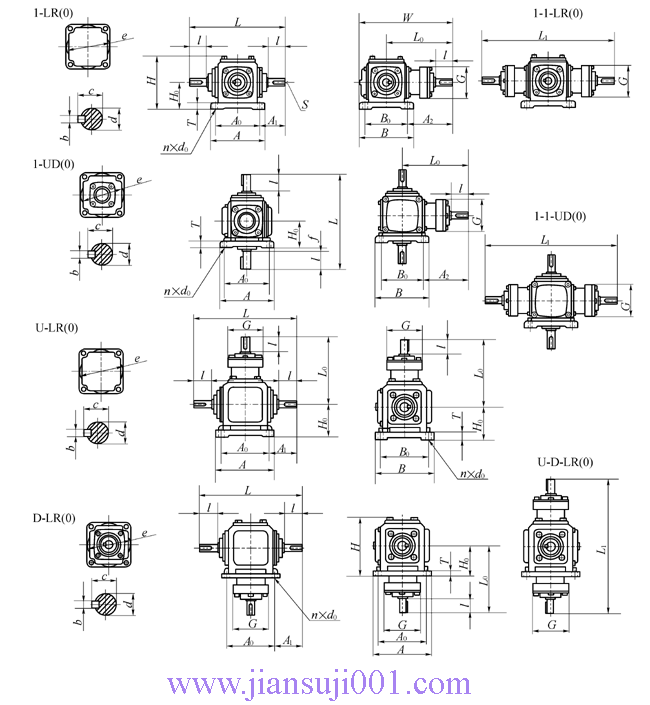
軸配置軸放置方向關系及安裝形式


性能參數表
|
傳動比 |
輸入轉速
(r/min) |
輸出轉速
(r/min) |
Z2 |
Z4 |
Z6 |
Z7 |
Z8 |
Z10 |
Z12 |
|
輸入功率(kW) |
輸入功率(kW) |
輸入功率(kW) |
輸入功率(kW) |
輸入功率(kW) |
輸入功率(kW) |
輸入功率(kW) | |||
|
1 |
1450 |
1450 |
1.79 |
4.94 |
14.9 |
22 |
45.6 |
65.3 |
96 |
|
1150 |
1150 |
1.43 |
4.19 |
12.7 |
18.4 |
37.5 |
55.7 |
81.1 | |
|
870 |
870 |
1.12 |
3.46 |
10.5 |
15.2 |
29 |
44.6 |
67.5 | |
|
580 |
580 |
0.747 |
2.45 |
7.35 |
11.4 |
19.8 |
30.6 |
49.7 | |
|
400 |
400 |
0.524 |
1.72 |
5.2 |
8.34 |
14 |
21.5 |
35.1 | |
|
300 |
300 |
0.396 |
1.3 |
3.93 |
6.35 |
10.6 |
16.4 |
26.8 | |
|
200 |
200 |
0.266 |
0.88 |
2.66 |
4.3 |
7.23 |
11.1 |
18.2 | |
|
100 |
100 |
0.136 |
0.448 |
1.36 |
2.2 |
3.7 |
5.72 |
9.36 | |
|
10 |
10 |
0.014 |
0.046 |
0.141 |
0.228 |
0.386 |
0.599 |
0.983 | |
|
1.5 |
1450 |
967 |
|
|
12.1 |
15 |
19.1 |
38.7 |
58.3 |
|
1150 |
767 |
|
|
9.96 |
12 |
15.4 |
31.2 |
49.2 | |
|
870 |
580 |
|
|
7.66 |
9.3 |
11.8 |
24.1 |
40.7 | |
|
580 |
387 |
|
|
5.23 |
6.32 |
8.14 |
16.4 |
28.9 | |
|
400 |
267 |
|
|
3.66 |
4.41 |
5.7 |
11.6 |
20.3 | |
|
300 |
200 |
|
|
2.77 |
3.35 |
4.34 |
8.78 |
15.5 | |
|
200 |
133 |
|
|
1.87 |
2.28 |
2.91 |
5.95 |
10.5 | |
|
100 |
37 |
|
|
0.957 |
1.16 |
1.49 |
3.04 |
5.37 | |
|
10 |
7 |
|
|
0.099 |
0.12 |
0.155 |
0.316 |
0.56 | |
|
2 |
1450 |
725 |
0.94 |
3.32 |
7.9 |
10.6 |
14 |
23.6 |
40 |
|
1150 |
575 |
0.74 |
2.67 |
6.39 |
8.55 |
11.3 |
19 |
31.7 | |
|
870 |
435 |
0.56 |
2.04 |
4.88 |
6.56 |
8.7 |
14.6 |
24 | |
|
580 |
290 |
0.37 |
1.38 |
3.34 |
4.47 |
5.92 |
10 |
16.3 | |
|
400 |
200 |
0.26 |
0.96 |
2.33 |
3.12 |
4.15 |
7.02 |
11.5 | |
|
300 |
150 |
0.19 |
0.73 |
1.76 |
2.37 |
3.14 |
5.33 |
8.71 | |
|
200 |
100 |
0.13 |
0.49 |
1.18 |
1.59 |
2.12 |
3.61 |
5.89 | |
|
100 |
50 |
0.06 |
0.3 |
0.608 |
0.812 |
1.08 |
1.84 |
3.01 | |
|
10 |
5 |
0.015 |
0.026 |
0.062 |
0.084 |
0.112 |
0.191 |
0.313 | |
|
2.5 |
1450 |
580 |
|
|
5.97 |
6.99 |
11.4 |
18.2 |
31.4 |
|
1150 |
460 |
|
|
4.78 |
5.64 |
9.11 |
14.7 |
25.3 | |
|
870 |
348 |
|
|
3.68 |
5.3 |
7 |
11.2 |
19.5 | |
|
580 |
232 |
|
|
2.48 |
2.92 |
4.76 |
7.68 |
13.3 | |
|
400 |
160 |
|
|
1.73 |
2.05 |
3.34 |
5.38 |
9.32 | |
|
300 |
120 |
|
|
1.32 |
1.55 |
2.53 |
4.06 |
7.08 | |
|
200 |
80 |
|
|
0.888 |
1.05 |
1.71 |
2.75 |
4.79 | |
|
100 |
40 |
|
|
0.448 |
0.528 |
0.867 |
1.4 |
2.43 | |
|
10 |
4 |
|
|
0.046 |
0.54 |
0.089 |
0.144 |
0.251 | |
|
3 |
1450 |
483 |
|
|
4.84 |
5.42 |
8.2 |
14 |
23.6 |
|
1150 |
383 |
|
|
3.88 |
4.34 |
6.55 |
11.3 |
19 | |
|
870 |
290 |
|
|
2.97 |
3.34 |
5.04 |
8.66 |
14.6 | |
|
580 |
193 |
|
|
2.02 |
2.25 |
3.42 |
5.89 |
9.92 | |
|
400 |
133 |
|
|
1.41 |
1.58 |
2.39 |
4.11 |
6.98 | |
|
300 |
100 |
|
|
1.07 |
1.18 |
1.8 |
3.11 |
5.29 | |
|
200 |
67 |
|
|
0.712 |
0.803 |
1.22 |
2.1 |
3.57 | |
|
100 |
33 |
|
|
0.363 |
0.409 |
0.618 |
1.07 |
1.82 | |
|
10 |
3 |
|
|
0.037 |
0.042 |
0.064 |
0.11 |
0.188 |
注:1.表中沒有轉速數值的按插入法計算。
2.橫軸轉速超過1450r/min時,向我公司咨詢。
3.橫軸轉數未達到10r/min,請使用10r/min的數據。
4.本表使用系數一律為1.0。
5.本表會部為減速(除1以外)傳動的輸入功率,當需要增速時,輸入功率的數據應除以減速比。
Z系列弧齒錐齒輪減速機安裝尺寸圖表

|
型號 |
安裝尺寸 |
軸伸尺寸 |
外形尺寸 |
重量 | |||||||||||||||||||
|
H0 |
A0 |
B0 |
A1 |
A2 |
L0 |
n×d0 |
d |
b |
c |
l |
S |
L |
H |
A |
B |
W |
G |
T |
f |
L1 |
e×深 |
Kg | |
|
Z2 |
52 |
84 |
84 |
48 |
82 |
124 |
4×9 |
15 |
5 |
17 |
30 |
M4 |
180 |
100 |
100 |
100 |
174 |
74 |
10 |
6 |
— |
94×3 |
4 |
|
Z4 |
76 |
125 |
125 |
53.5 |
117.5 |
180 |
4×11 |
19 |
6 |
21.5 |
38 |
M5 |
232 |
145 |
155 |
155 |
257.5 |
79 |
17 |
2 |
360 |
14×55 |
10 |
|
Z6 |
90 |
152 |
152 |
81 |
146 |
222 |
4×14 |
25 |
8 |
28 |
50 |
M6 |
314 |
175 |
190 |
190 |
317 |
98 |
17 |
17 |
444 |
175×5 |
21 |
|
Z7 |
100 |
174 |
174 |
86 |
178 |
265 |
4×14 |
32 |
10 |
35 |
60 |
M8 |
346 |
198 |
210 |
210 |
370 |
116 |
22 |
13 |
530 |
205×5 |
32 |
|
Z8 |
115 |
195 |
195 |
110.5 |
210.5 |
308 |
4×14 |
40 |
12 |
43 |
75 |
M10 |
416 |
225 |
235 |
235 |
425.5 |
136 |
22 |
18 |
616 |
240×5 |
49 |
|
Z10 |
140 |
240 |
240 |
120 |
240 |
360 |
4×16 |
45 |
14 |
48.5 |
90 |
M12 |
480 |
270 |
285 |
285 |
502.5 |
156 |
25 |
10 |
720 |
295×5 |
78 |
|
Z12 |
175 |
290 |
290 |
130 |
270 |
415 |
4×21 |
50 |
14 |
53.5 |
100 |
M16 |
550 |
340 |
340 |
340 |
585 |
180 |
32 |
0 |
830 |
350×5 |
124 |
| 頁次:1/1 每頁10條 共5條信息 分頁:[1] |

