|
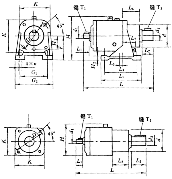
型號 |
L7 |
G1 |
G2 |
H |
H1 |
H2 |
F(js9) |
K(js18) |
N螺釘 |
n |
T1 |
T2
GB1096 |
|
XBW-25-63-2
XBW-25-84-2
XBW-25-125-2* |
|
|
|
52 |
|
|
|
45 |
|
|
鍵1×4
GB1099 |
鍵C2×10 |
|
XBW-32 -64-6
XBW-32-80-6
XBW-32-107-6* |
|
|
|
62 |
|
|
|
55 |
|
|
鍵2×7
GB1099 |
鍵C4×14 |
|
XBW-40-67-16
XBW-40-80-16
XBW-40-100-16 |
|
|
|
74 |
|
|
|
65 |
|
|
鍵2.5×10
GB1099 |
鍵C5×18 |
|
XBW-50-84-30
XBW-50-100-30
XBW-50-120-30 |
|
|
|
84 |
|
|
|
75 |
|
|
鍵3×13
GB1009 |
鍵C6×25 |
|
XBW-60-75-50
XBW-60-100-50
XBW-60-120-50
XBW-60-150-50 |
45 |
80 |
105 |
125 |
41 |
11.5 |
70 |
92 |
M6 |
10 |
鍵5×14
GB1009 |
鍵C6×32 |
|
XBW-80-80-120
XBW-80-100-120
XBW-100-84-250 |
50 |
110 |
140 |
161 |
52 |
15 |
90 |
122 |
M3 |
12 |
鍵5×16
GB1009 |
鍵C8×40 |
|
XBW-100-34-250
XBW-100-100-250
XBW-100-125-250
XBW-100-167-250 |
55 |
130 |
165 |
195 |
62 |
16 |
110 |
142 |
M12 |
14 |
鍵5×20
GB1099 |
鍵C10×50 |
|
XBW-120-75-450*
XBW-120-100-450
XBW-120-120-450
XBW-120-150-450
XBW-120-200-450 |
65 |
170 |
205 |
255 |
80 |
18 |
130 |
180 |
M14 |
14 |
鍵6×25
GB1099 |
鍵C14×62 |
|
XBW-160-80-1000*
XBW-160-100-1000
XBW-160-134-1000
XBW-160-160-1000
XBW-160-200-1000 |
70 |
220 |
260 |
320 |
103 |
22 |
170 |
230 |
M20 |
18 |
鍵8×32
GB1009 |
鍵C18×80 |
|
XBW-200-100-2000
XBW-200-125-2000
XBW-200-167-2000
XBW-200-200-2000
XBW-200-250-2000 |
90 |
270 |
320 |
365 |
124 |
24 |
200 |
280 |
M24 |
22 |
鍵8×40
GB1009 |
鍵C22×100 |